 | | Каталог MITSUBISHI рисунок PNC
Просмотреть все цены:
Применение номера Модели АВТО :
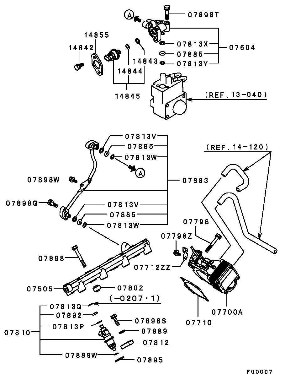
CR9W 13-550 07710
DA2A 13-550 07710
DG5A 13-550 07710
EA3A 13-550 07710
EA3W 13-550 07710
EA5A 13-550 07710
EA5W 13-550 07710
H66W 13-550 07710
H67W 13-550 07710
H76W 13-550 07710
H77W 13-550 07710
N64W 13-550 07710
N84W 13-550 07710
N94W 13-550 07710
V65W 13-550 07710
V75W 13-550 07710
| |